电子工程师应该掌握的20个模拟电路
最后编辑于: 2020-09-21 10:45 |
分类: 电子 |
标签: |
浏览数: 2170 |
评论数: 0
标题虽然是20个电路,实际只有15个,不知为何? 本文网上流传很多,虽然文不对题,但还是有些价值,记录与此。为了保持其原样,特意不改标题。
对模拟电路的掌握分为三个层次
初级层次是熟练记住这二十个电路,清楚这二十个电路的作用。只要是电子爱好者,只要是学习自动化、电子等电控类专业的人士都应该且能够记住这二十个基本模拟电路。
中级层次是能分析这二十个电路中的关键元器件的作用,每个元器件出现故障时电路的功能受到什么影响,测量时参数的变化规律,掌握对故障元器件的处理方法;定性分析电路信号的流向,相位变化;定性分析信号波形的变化过程;定性了解电路输入输出阻抗的大小,信号与阻抗的关系。有了这些电路知识,您极有可能成长为电子产品和工业控制设备的出色的维修维护技师。
高级层次是能定量计算这二十个电路的输入输出阻抗、输出信号与输入信号的比值、电路中信号电流或电压与电路参数的关系、电路中信号的幅度与频率关系特性、相位与频率关系特性、电路中元器件参数的选择等。达到高级层次后,只要您愿意,受人尊敬的高薪职业--电子产品和工业控制设备的开发设计工程师将是您的首选职业。
20个模拟电路(实际只有15个)
1. 桥式整流电路

- 二极管的单向导电性:
- 桥式整流电流流向过程:
输入输出波形:
- 计算:Vo, Io, 二极管反向电压。
2. 电源滤波器

- 电源滤波的过程分析:
波形形成过程:
- 计算:滤波电容的容量和耐压值选择。
3. 信号滤波器

- 信号滤波器的作用:
与电源滤波器的区别和相同点:
- LC串联和并联电路的阻抗计算,幅频关系和相频关系曲线。
- 画出通频带曲线。
计算谐振频率。
4. 微分和积分电路

- 电路的作用,与滤波器的区别和相同点。
- 微分和积分电路电压变化过程分析,画出电压变化波形图。
- 计算:时间常数,电压变化方程,电阻和电容参数的选择。
5. 共射极放大电路

- 三极管的结构、三极管各极电流关系、特性曲线、放大条件。
- 元器件的作用、电路的用途、电压放大倍数、输入和输出的信号电压相位关系、交流和直流等效电路图。
- 静态工作点的计算、电压放大倍数的计算。
6. 分压偏置式共射极放大电路

- 元器件的作用、电路的用途、电压放大倍数、输入和输出的信号电压相位关系、交流和直流等效电路图。
- 电流串联负反馈过程的分析,负反馈对电路参数的影响。
- 静态工作点的计算、电压放大倍数的计算。
- 受控源等效电路分析。
7. 共集电极放大电路(射极跟随器)

- 元器件的作用、电路的用途、电压放大倍数、输入和输出的信号电压相位关系、交流和直流等效电路图。电路的输入和输出阻抗特点。
- 电流串联负反馈过程的分析,负反馈对电路参数的影响。
- 静态工作点的计算、电压放大倍数的计算。
8. 电路反馈框图

- 反馈的概念,正负反馈及其判断方法、并联反馈和串联反馈及其判断方法、电流反馈和电压反馈及其判断方法。
- 带负反馈电路的放大增益。
- 负反馈对电路的放大增益、通频带、增益的稳定性、失真、输入和输出电阻的影响。
9. 二极管稳压电路

- 稳压二极管的特性曲线。
- 稳压二极管应用注意事项。
- 稳压过程分析。
10. 串联稳压电源

- 串联稳压电源的组成框图。
- 每个元器件的作用;稳压过程分析。
- 输出电压计算。
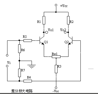
11. 差分放大电路
- 电路各元器件的作用,电路的用途、电路的特点。
- 电路的工作原理分析。如何放大差模信号而抑制共模信号。
- 电路的单端输入和双端输入,单端输出和双端输出工作方式。
12. 场效应管放大电路

- 场效应管的工作特点、场效应放大器的特点。各元器件的作用。
- 放大过程分析。
- 电压放大增益的计算。
13. 选频(带通)放大电路

- 每个元器件的作用, 选频放大电路的特点, 电路的作用.
- 特征频率的计算, 选频元件参数的选择.
- 幅频特性曲线.
14. 运算放大电路


15. 差分输入运算放大电路

- 差分输入运算放大电路的的特点:
用途:
输出信号电压与输入信号电压的关系式